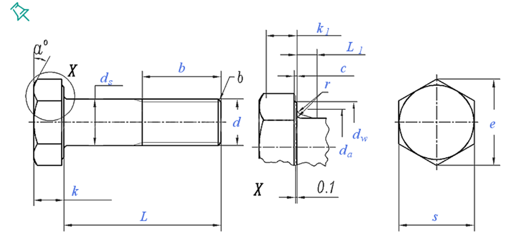
Eksterne hexagon-skruer og bolte er grundlæggende fastgørelsesmidler, der er genkendt for deres seks-sidede hoveddesign, konstrueret til at levere transmission med højt drejningsmoment og mekanisk stabilitet på tværs af industrielle anvendelser. Fremstillet fra kulstofstål (klasse 8.8, 10.9 eller 12.9) eller brugerdefinerede legeringer, spænder disse fastgørelsesmidler fra miniature M1.6-tråde til tunge M64-diametre, med længder, der spænder 12 mm til 500 mm for at imødekomme forskellige belastningsbærende krav. Det eksterne hexhoved tillader skruenøgle eller stikkontakt, hvilket sikrer sikker stramning i begrænsede rum - kritisk til samling af maskinerrammer, strukturelle stålfuger eller bilkomponenter, hvor vibrationsmodstand er vigtigst.
Overfladebehandlinger som hot-dip galvanisering af kamprust i udendørs miljøer (f.eks. Bridges, transmissionstårne), mens sorte oxidbelægninger reducerer lysreflektion i præcisionsoptik eller militær hardware. Specialfinish som PTFE eller elektroforetisk maling forbedrer kemisk resistens til brug i kemisk forarbejdningsanlæg eller marine udstyr. Brugerdefinerede farvekodning (blå, røde) hjælpemidler i lagerstyring eller sikkerhedsprotokoller, der skelner belastningsvurderinger eller materialeklasser på stedet. Med standardiserede trådtolerancer og trækstyrker opfylder disse bolte ISO- og ASTM-specifikationer, hvilket afbalancerer omkostningseffektivitet med ydeevne for industrier, der spænder fra vedvarende energi til tung fremstilling. Deres tilpasningsevne i materiale, belægning og størrelse gør dem til en universel løsning for ingeniører, der prioriterer holdbarhed, let installation og overholdelse af strenge mekaniske standarder.


























